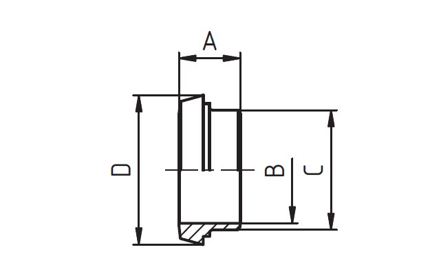
Штуцер конический DN 15 AISI 304 NIOB 20110R шт

Наличие на складе:
Котельники
Котельники
Санкт-Петербург
Воронеж
Казань
Екатеринбург
Новосибирск
Самара
Уфа
Краснодар
Ростов-на-Дону
Ставрополь
много
162 ₽ руб./шт
Применение:
Химическая
Алкогольная
Пищевая
Документация:
Технический паспорт
Скачать
Технические характеристики:
Размер/Диаметр: 15
Описание: