CLAMP AISI 316L ASME BPE патрубок фарм 4" (101,6х2,11) F=119
Применение:
|
|
|
|
|
|
Документация:
Технический паспорт
Скачать
Технические характеристики:
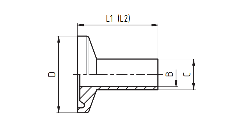
| Стандарт/ГОСТ: | ASME BPE |
| Размер/Диаметр: | 4" |
| Тип: | Пусто |
| Толщина: | 2,11 |
| Марка стали: | AISI 316L |
Описание:
