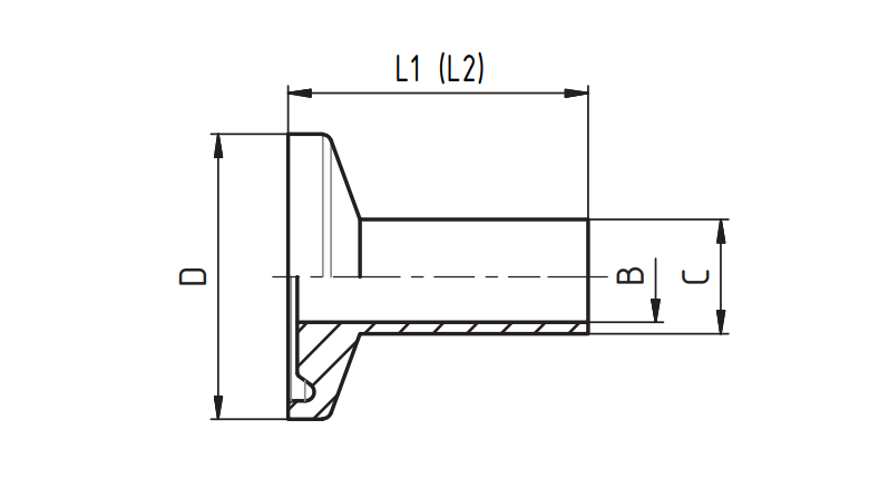
CLAMP AISI 316L ASME BPE SF1 патрубок фарм 2" (50,8х1,65) F=64 L=57,2 CSE
Применение:
|
|
|
|
|
|
Документация:
Технический паспорт
Скачать
Технические характеристики:
| Марка стали: | AISI 316L |
| Производитель: | CSE |
| Стандарт/ГОСТ: | ASME BPE |
| Размер/Диаметр: | 2" |
| Тип: | Пусто |
| Толщина: | 1,65 |
Описание:
