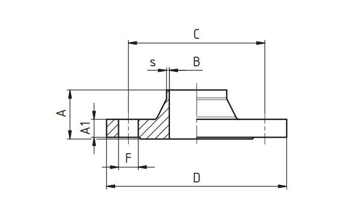
Фланец AISI 304 DIN 2633 воротниковый (тип 11B) PN16 DN 40 (41) СП

Наличие на складе:
Котельники
Котельники
Санкт-Петербург
Воронеж
Казань
Екатеринбург
Новосибирск
Самара
Уфа
Краснодар
Ростов-на-Дону
Ставрополь
много
3 587 ₽ руб./шт
Применение:
Химическая
Алкогольная
Пищевая
Документация:
Технический паспорт
Скачать
Технические характеристики:
Марка стали: AISI 304
Номинальное давление - Задвижки шиб: PN16
Производитель: Ариэль Инокс
Стандарт/ГОСТ: DIN 2633
Размер/Диаметр: DN 40
Тип: Пусто
Описание: