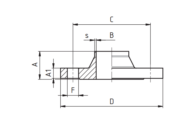
Фланец AISI 304 DIN 2633 воротниковый (тип 11B) PN16 DN 50 (53) СП

Наличие на складе:
Котельники
Котельники
Санкт-Петербург
Воронеж
Казань
Екатеринбург
Новосибирск
Самара
Уфа
Краснодар
Ростов-на-Дону
Ставрополь
много
6 558 ₽ руб./шт
Применение:
Химическая
Алкогольная
Пищевая
Документация:
Технический паспорт
Скачать
Технические характеристики:
Производитель: Ариэль Инокс
Номинальное давление - Задвижки шиб: PN16
Стандарт/ГОСТ: DIN 2633
Размер/Диаметр: DN 50
Тип: Пусто
Марка стали: AISI 304
Описание: