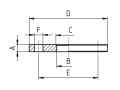
Фланец AISI 304 плоский (тип 01B) PN40 DN 80 (88,9)
Применение:
|
|
|
|
|
|
Документация:
Технический паспорт
Скачать
Технические характеристики:
| Размер/Диаметр: | DN 80 |
| Тип: | Пусто |
| Марка стали: | AISI 304 |
| Номинальное давление - Задвижки шиб: | PN40 |
Описание:
