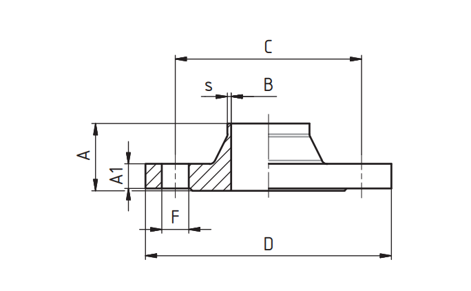
Фланец AISI 304 воротниковый (тип 11B) PN16 8 DN 65 (76,1)

Наличие на складе:
Котельники
Котельники
Санкт-Петербург
Воронеж
Казань
Екатеринбург
Новосибирск
Самара
Уфа
Краснодар
Ростов-на-Дону
Ставрополь
много
3 065 ₽ руб./шт
Применение:
Химическая
Алкогольная
Пищевая
Документация:
Технический паспорт
Скачать
Технические характеристики:
Номинальное давление - Задвижки шиб: PN16
Размер/Диаметр: DN 65
Тип: Пусто
Марка стали: AISI 304
Описание: