Гайка накидная шлицевая AISI 304 21080 SMS DN 50,8 NIOB
Применение:
|
|
|
|
|
|
Документация:
Технический паспорт
Скачать
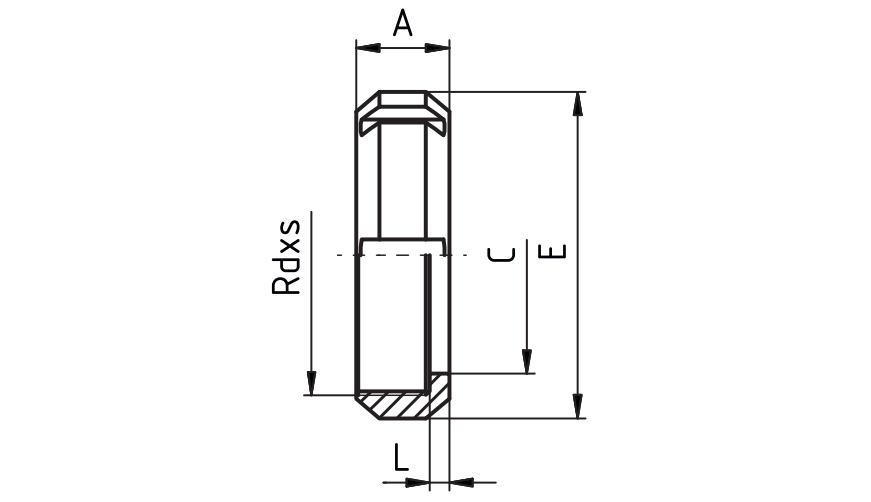
Технические характеристики:
| Марка стали: | AISI 304 |
| Производитель: | NIOB |
| Размер/Диаметр: | SMS DN 50.8 |
| Тип: | Пусто |
Описание:
