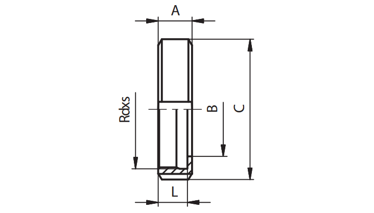
Гайка накидная шлицевая AISI 304 DIN 11851 DN 80 LT
Применение:
|
|
|
|
|
|
Документация:
Технический паспорт
Скачать
Технические характеристики:
| Производитель: | LT |
| Стандарт/ГОСТ: | DIN 11851 |
| Размер/Диаметр: | DN 80 |
| Тип: | Пусто |
| Марка стали: | AISI 304 |
Описание:
