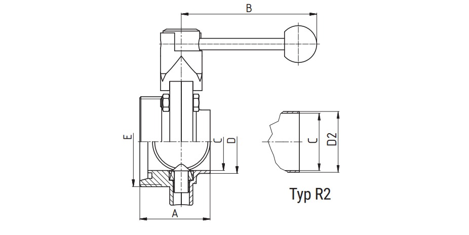
Затвор дисковый AISI 304 4302 р/с DN 65 NIOB
Применение:
|
|
|
|
|
|
Документация:
Технический паспорт
Скачать
Технические характеристики:
| Тип: | Пусто |
| Производитель: | NIOB |
| Размер/Диаметр: | DN 65 |
Описание:
